- Описание
- Технические характеристики
Описание
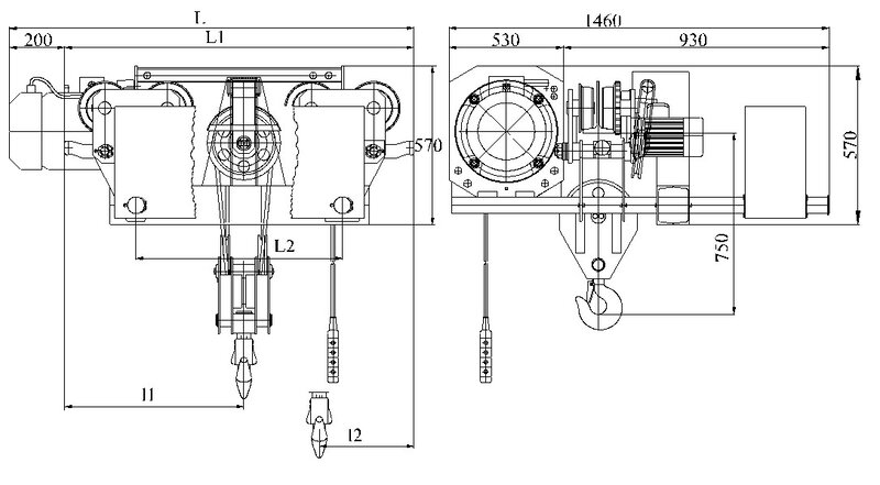
Конструктивная особенность талей электрических с малой строительной высотой (МСВ) – это расположение на одном уровне с монорельсомнесущей балкой крана всех основных крупногабаритных элементов тельфера (корпус тали, тележки на передвижение, электродвигатели). За счет такого расположения уменьшается строительная высота тали (строительная высота – это расстояние от нижней полки двутавровой балки до крюка тали в верхнем положении крюковой подвески) почти в два раза в сравнении с талями обычно исполнения.
Механизм подъема с планетарным редуктором
Двигатель механизма подъема с встроенным тормозом
Для эксплуатации при температуре от -20°С до +40°С
Степень защиты оболочек электрооборудования IP54
Тормоз на механизме передвижения
Канатоукладчик
Скорость подъема, ммин (мс):
основная — 4,8 (0,08)
дополнительная (по заказу) диапазон регулирования — 0,6 (0,01)÷4,8 (0,08)
Скорость передвижения, ммин(мс):
основная — 20,0 (0,33)
дополнительная (по заказу) диапазон регулирования — 6,0 (0,1)÷20,0 (0,33)
Монорельсовый пут
UT-00012746
Грузоподъемност: 6,3Т
Высота подъема : 16м
Вес: 1110кг







